Популярное

Музыка Кино и Анимация Автомобили Животные Спорт Путешествия Игры Юмор

Интересные видео

2025 Сериалы Трейлеры Новости Как сделать Видеоуроки Diy своими руками

Топ запросов

смотреть а4 schoolboy runaway турецкий сериал смотреть мультфильмы эдисон
dTub
Скачать

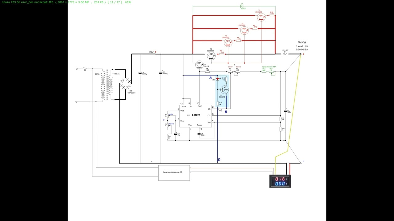
22. БП на LM723. Часть 1(схема)

Автор: Vitaly Ne...

Загружено: 2023-11-22

Просмотров: 19253

Описание:

Простая, но на удивление хорошо работающая схема БП на LM723.
Конкретно получились характеристики:
Напряжение 2.45-21В(не стал делать от 0В за ненадобностью)
Ток 0 - 5.7А(ограничил под свои потребности)
Шум на выходе(тест при токе до 2.5А) 14mV
Просадка выходного(тест при токе 2.5А) 0.009V(0.075%)
Стабилизация напряжения на высоте )))
В этой части собственно схема и доработки.

Тест Часть 2    • 23. БП на LM723.  Часть 2 (тест БП)  

Архив https://drive.google.com/drive/folder...

22. БП на LM723.  Часть 1(схема)

Поделиться в:

Доступные форматы для скачивания:

Скачать видео mp4

  • Информация по загрузке:

Скачать аудио mp3

Похожие видео

Срочное распоряжение покинуть территорию / Вывод войск

Срочное распоряжение покинуть территорию / Вывод войск

Переменный источник питания 0–30 В, 0–10 А, регулируемое напряжение и ток/режим постоянного

Переменный источник питания 0–30 В, 0–10 А, регулируемое напряжение и ток/режим постоянного

31. Внутрисхемная диагностика диодов. Часть 1 - схема и макет

31. Внутрисхемная диагностика диодов. Часть 1 - схема и макет

Супер стабильный простой  БП

Супер стабильный простой БП

EMI сетевой фильтр  KIVIKEY CW1B-6A-L 250V бутафория или?..

EMI сетевой фильтр KIVIKEY CW1B-6A-L 250V бутафория или?..

"Косо" мостовые сварочники

БП на микросхеме LM723

БП на микросхеме LM723

Блок питания радиостанции Лён

Блок питания радиостанции Лён

Регулируемый блок питания с защитой от короткого замыкания, своими руками

Регулируемый блок питания с защитой от короткого замыкания, своими руками

⚡️НОВОСТИ | КАДЫРОВА ВЫВЕЗЛИ ИЗ РФ | ГРЕНЛАНДИЯ ПРОТИВ ТРАМПА | ЛЕД УПАЛ НА КОЛЯСКУ В МОСКВЕ | ИРАН

⚡️НОВОСТИ | КАДЫРОВА ВЫВЕЗЛИ ИЗ РФ | ГРЕНЛАНДИЯ ПРОТИВ ТРАМПА | ЛЕД УПАЛ НА КОЛЯСКУ В МОСКВЕ | ИРАН

Почему быть стрелком из ПТР было проклятием?

Почему быть стрелком из ПТР было проклятием?

24. Простой способ снижения шумов и пульсаций блоков питания. Работа синфазного фильтра.

24. Простой способ снижения шумов и пульсаций блоков питания. Работа синфазного фильтра.

Регулятор тока и напряжения на TL494

Регулятор тока и напряжения на TL494

Универсальная плата переходник для tl 494.

Универсальная плата переходник для tl 494.

Блок питания PS1502 переделка НАЧАЛО

Блок питания PS1502 переделка НАЧАЛО

Немцы ХОХОТАЛИ С НЕГО. МАШИНА, СОЗДАННАЯ ЗА 60 ДНЕЙ: КАК СУ-85 ПЕРЕЛОМИЛА ХОД ВОЙНЫ

Немцы ХОХОТАЛИ С НЕГО. МАШИНА, СОЗДАННАЯ ЗА 60 ДНЕЙ: КАК СУ-85 ПЕРЕЛОМИЛА ХОД ВОЙНЫ

Схема простого регулируемого блока питания!

Схема простого регулируемого блока питания!

Простой ЛБП своими руками. Схема блока питания на ОУ (LM324)

Простой ЛБП своими руками. Схема блока питания на ОУ (LM324)

Немцы создали этих чудищ для прорыва Восточного фронта. Крупп Роймер и VsKfz 617

Немцы создали этих чудищ для прорыва Восточного фронта. Крупп Роймер и VsKfz 617

Почему экипажи ВИРБЕЛЬВИНД жили только 3 НЕДЕЛИ? Самый СМЕРТОНОСНЫЙ танк Второй мировой войны

Почему экипажи ВИРБЕЛЬВИНД жили только 3 НЕДЕЛИ? Самый СМЕРТОНОСНЫЙ танк Второй мировой войны

© 2025 dtub. Все права защищены.



  • Контакты
  • О нас
  • Политика конфиденциальности



Контакты для правообладателей: infodtube@gmail.com