Популярное

Музыка Кино и Анимация Автомобили Животные Спорт Путешествия Игры Юмор

Интересные видео

2025 Сериалы Трейлеры Новости Как сделать Видеоуроки Diy своими руками

Топ запросов

смотреть а4 schoolboy runaway турецкий сериал смотреть мультфильмы эдисон
dTub
Скачать

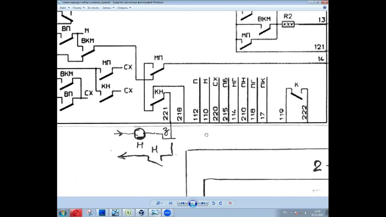
БМРЦ 2022 работа схем перед поиском отказов в АОС, БМРЦ Т-1

Автор: Виктор Вяткин

Загружено: 2022-12-05

Просмотров: 3788

Описание:

Работа схем маршрутного набора БМРЦ:
1) Напоминание порядка работы реле перед поиском отказов В АОС.
2) Первый тренажер БМРЦ - Начальная поездная кнопка (начало примерно в 1:03:00).

БМРЦ 2022 работа схем перед поиском отказов в АОС, БМРЦ Т-1

Поделиться в:

Доступные форматы для скачивания:

Скачать видео mp4

  • Информация по загрузке:

Скачать аудио mp3

Похожие видео

БМРЦ работа реле по Ч2 за Н вариантный маршрут

БМРЦ работа реле по Ч2 за Н вариантный маршрут

мдк4.1. Поиск отказов в БМРЦ

мдк4.1. Поиск отказов в БМРЦ

Пятипроводная схема управления стрелочным электроприводом

Пятипроводная схема управления стрелочным электроприводом

Поиск отказов в БМРЦ Т1 и Т3

Поиск отказов в БМРЦ Т1 и Т3

КАК НАУЧИТЬСЯ ЧИТАТЬ ЛЮБУЮ СХЕМУ, ПРОЕКТ, ЧЕРТЁЖ? Секрет, который скрывали! (Лайфхак)

КАК НАУЧИТЬСЯ ЧИТАТЬ ЛЮБУЮ СХЕМУ, ПРОЕКТ, ЧЕРТЁЖ? Секрет, который скрывали! (Лайфхак)

Генератор синуса для ESR. 7 деталей, ток 1 мА

Генератор синуса для ESR. 7 деталей, ток 1 мА

Чем ОПАСЕН МАХ? Разбор приложения специалистом по кибер безопасности

Чем ОПАСЕН МАХ? Разбор приложения специалистом по кибер безопасности

Медная антенна, которая утроила урожай: забытый запретный эксперимент 1926 года

Медная антенна, которая утроила урожай: забытый запретный эксперимент 1926 года

Мдк 4.1. Поиск отказа БМРЦ. Разделка маршрута (реле 1м 2м)

Мдк 4.1. Поиск отказа БМРЦ. Разделка маршрута (реле 1м 2м)

схема управления маневровым светофором

схема управления маневровым светофором

Как работают ДАТЧИКИ ХОЛЛА? Самое понятное объяснение!

Как работают ДАТЧИКИ ХОЛЛА? Самое понятное объяснение!

БМРЦ Т5 маневровый маршрут начальная кнопка 2 отказа (2023)

БМРЦ Т5 маневровый маршрут начальная кнопка 2 отказа (2023)

Почему огонь ГОРИТ. Ответ Фейнмана переворачивает реальность

Почему огонь ГОРИТ. Ответ Фейнмана переворачивает реальность

Числовая кодовая автоблокировка (схема)

Числовая кодовая автоблокировка (схема)

Реле железнодорожной автоматики

Реле железнодорожной автоматики

составление монтажных схем

составление монтажных схем

Флешка не определяется. Подробная инструкция по восстановлению

Флешка не определяется. Подробная инструкция по восстановлению

Крутящий момент и мощность двигателя

Крутящий момент и мощность двигателя

Технология проверки правильности нанесения рисок на контрольные линейки электропривода

Технология проверки правильности нанесения рисок на контрольные линейки электропривода

Пожалуй, главное заблуждение об электричестве [Veritasium]

Пожалуй, главное заблуждение об электричестве [Veritasium]

© 2025 dtub. Все права защищены.



  • Контакты
  • О нас
  • Политика конфиденциальности



Контакты для правообладателей: infodtube@gmail.com